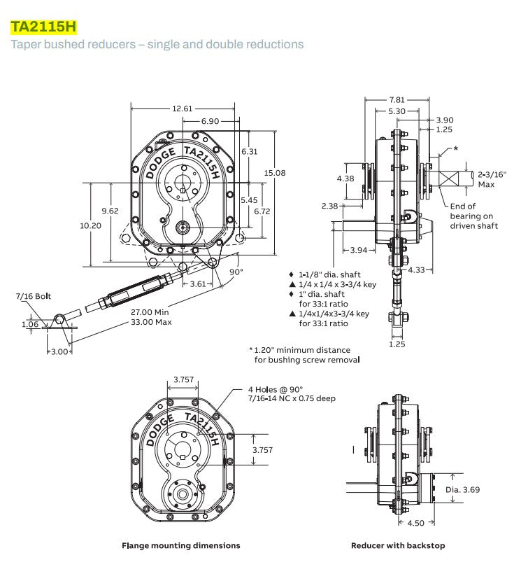
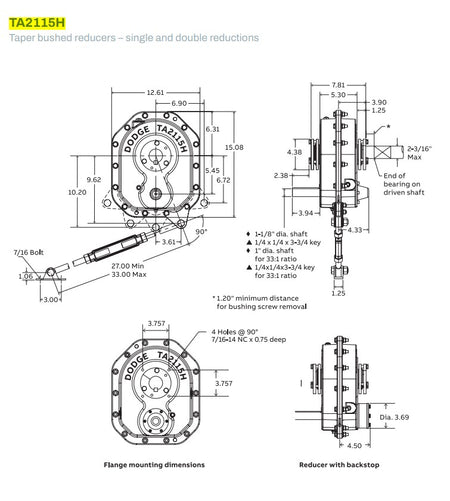
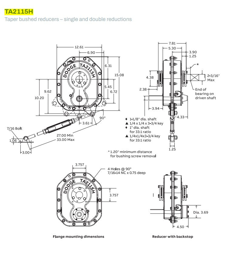
TA2115TB TAPERED BUSHING KITS - STANDARD SHAFT
BUSHING KIT REQUIRED TO MOUNT TA2115H TO DRIVEN SHAFT
(BUSHING KIT IS NOT REQUIRED TO MOUNT TA II REDUCER ON SCREW CONVEYOR DRIVE SHAFT IN A SCREW CONVEYOR APPLICATION)
FOR ANY QUESTIONS, OR DON'T SEE WHAT YOU NEED? GIVE US A CALL AT 833-334-7278
Couldn't load pickup availability
